Pneumatiek Opdrachten
Opdracht P1
Deel 1 - Pneumatiek H2 en H3
Vragen;
- Wat zijn de namen van drie gebruikte componenten?
Cilinder veerretour, Snelheid regel ventiel, Ventiel 3-2 hand bediend veerretour. - Uit welke symbolen is ventiel ''a'' samengesteld?
Cilinder veerretour, Snelheid regel ventiel - Zet de juiste poortcodes bij ventiel ''a''
Afbeelding; Opdracht P1 - Waarom worden in de praktijk zelden nog 4/2 ventielen gebruikt?
Een 5/2 heeft een beluchtingspoort meer en dus meer mogelijkheden. Door 1 poort dicht te zetten maak ik een 4/2 ventiel. Het is dus goedkoper om alleen de 5/2 te gebruiken. - Wat is het symbool voor een dubbelwerkende cilinder?
Afbeelding; Opdracht P1 
Opdracht;
Bouw het schema op;
Vragen;
Maak een tekening van een;
- 3/2 Ventiel, Rolbediend, veerretour.
 - 4/2 ventiel, drukknopbediend, veerretour.
 - 5/2 ventiel, luchtbediend, luchtretour
 
Opdracht P2
Deel 1 - Pneumatiek H2 en H3
Vragen;
- Wat zijn de namen van de vier gebruikte componenten?
Cilinder veerretour, Snelheid regel ventiel, Ventiel 3-2 hand bediend veerretour, ventiel 3-2 veerretour. - Uit welke symbolen zijn de ventielen "a" en "b" samengesteld?
Afbeelding; Opdracht P2 - Zet de juiste poortcodes bij de  ventielen "a" en "b".
Afbeelding; Opdracht P2 - Geef aan waar de componenten a, b en c bij horen.
Afbeelding; Opdracht P2 - Wat is het verschil in werking tussen dit schema en het schema van opdracht 1?
Dat je de hand bediend veerretour ingedrukt moet houden om de Cilinder veerretour op zijn ruststand te zetten. - Wat is de werking van component "b"?
Om de lucht druk weg te halen van component "c" bij het indrukken van component "a". 
Opdracht;
Bouw het schema op
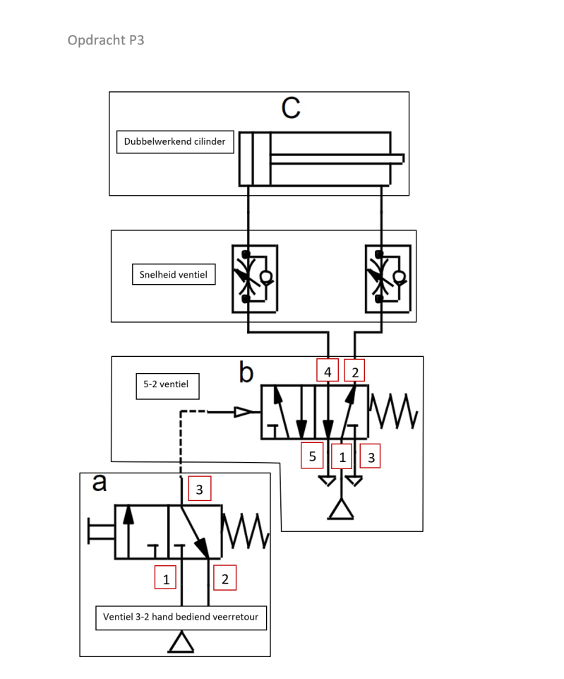
Opdracht P3
Deel 1 - Pneumatiek H2 en H3
Vragen;
- Wat zijn de namen van de vijf gebruikte componenten?
Dubbelwerkend cilinder, Snelheid ventiel, 5-2 ventiel veerretour, Ventiel 3-2 hand bediend veerretour. - Zet de juiste poortcode bij de ventielen ''a'' en ''b''.
Afbeelding: Opdracht P3 - Wat is het verschil in werking tussen dit schema en de schema's van opdracht 1 en 2?
Component C is geen terugveer cilinder, maar een dubbelwerkende cilinder - Noem voor elk schema één of meerdere redenen om het te gebruiken.
Om iets kapot te persen, of een metaal dunner te maken en je kan het metaal een vorm laten geven. iets van je af laten duwen. Precies hetzelfde wat er bij schema 1 staat. Ook iets kapot te persen of een metaal dunner te maken en je kan het metaal een vorm laten geven maar dan sneller. 
Opdracht;
Bouw het schema op
Opdracht P4
Deel 1 - Pneumatiek H2 en H3
Vragen bij schema A;
- Is het voldoende om één van de twee stuurventielen te bedienen om de cilinder uit te sturen?
Nee. - Hoe zou je deze (basis)schakeling ook wel kunnen noemen?
Een serie schakeling. 
Vragen bij schema B;
- Is er een verschil in werking met schema A?
Schema A staat in serie en schema B staat in parallel. - Staan de stuurventielen ''in serie of "parallel? Verklaar het antwoord.
Serie en parallel want, de puls drukkers krijgen allebei lucht van het hoofdventiel en je moet allebei de drukkers in drukken om de cilinder te laten bewegen. 
Vragen bij schema C & D;
- Bedien omstebeurt de stuurventielen. Gaat de cilinder in beide gevallen uit?
ja. - Hoe zou je deze schakeling ook wel kunnen noemen?
Parallel schakeling. - Staan de stuurventielen "in serie of "parallel"? Verklaar het antwoord.
Parallel, je hoeft maar 1 van de twee componenten in te drukken en het werkt. - Waarom kunnen we in ons lokaal schakeling D niet bouwen?
Die componenten hebben we niet. 
Opdracht;
Bouw het schema op
Schema A & B;
Schema C;
Teken P1, P2 en P3 na in Fluidsim5
P1;
P2;
P3;
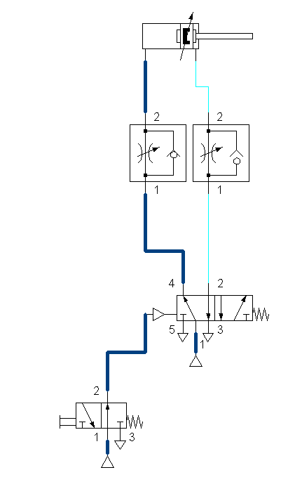
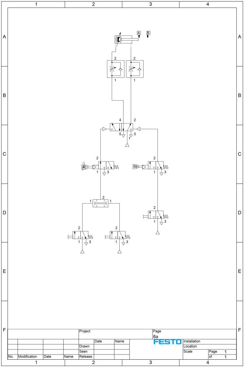
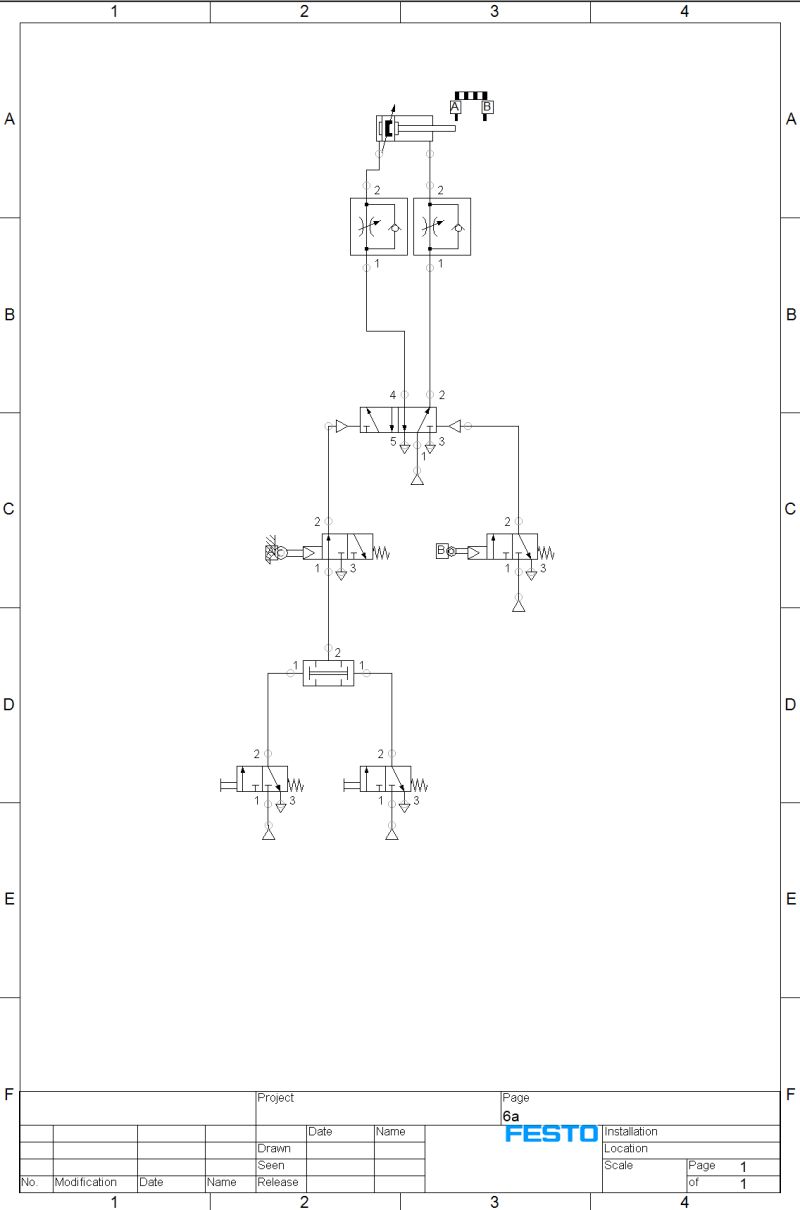
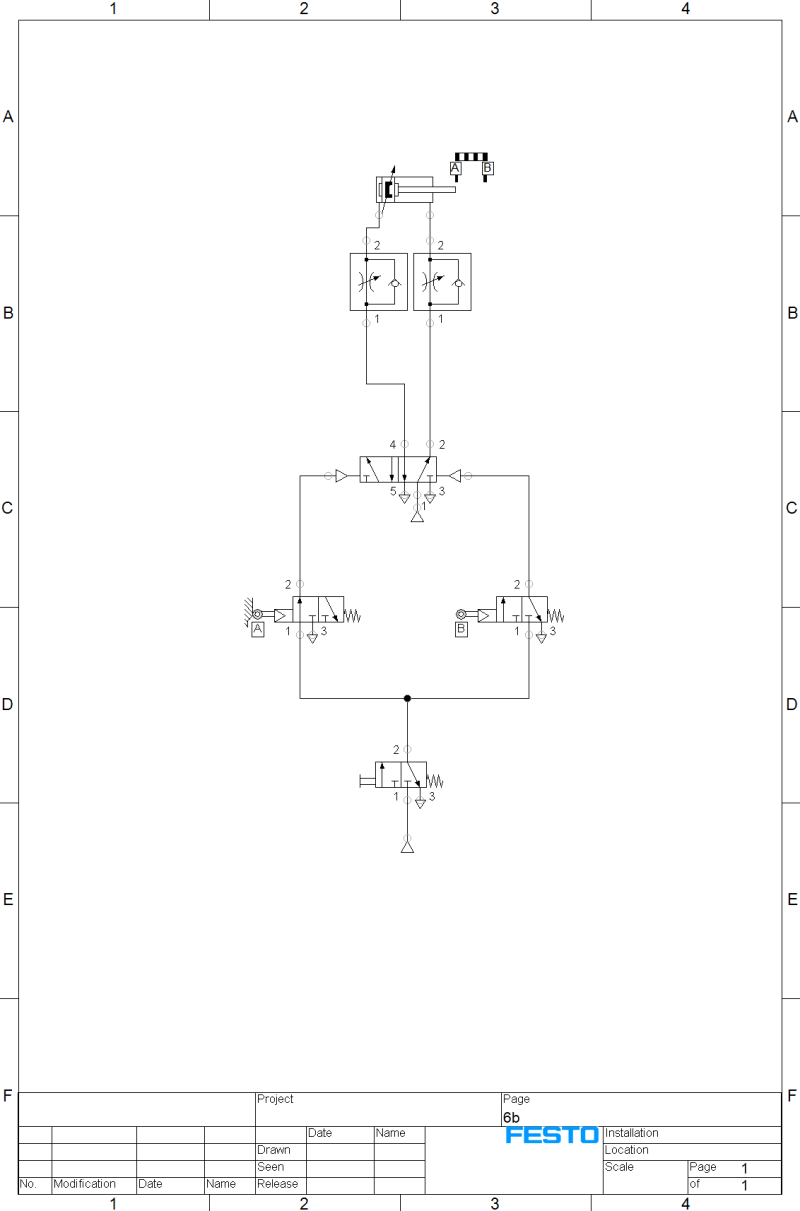
Opdracht P6
Deel 1 - Pneumatiek H2 en H3
6a;
Vragen bij schema 6a
- Wat is de betekenis van de "0" en de "1"aanduiding bij letter van een signaalgever.
Dat is voor de 3/2 ventiel rol bediend. - Staat eindstandmelder a0 in de bediende of onbediende stand?
Bediende stand, want als de dubbelwerkende cilinder op zijn ruststand staat dan is a0 ingeschakeld. - Is eindstandmelder a0 een normaal geopend of een normaal gesloten ventiel?
Normaal geopend - Zijn alle coderingen en letters op de juiste wijze vermeld?
Op mijn uitwerking wel ;) - Waardoor keert de cilinder terug naar zijn ruststand?
Als 3/2 ventiel rol bediend B in wordt geschakeld. - Als cilinder A ook nog door een drukknop moet kunnen worden teruggestuurd, wat verandert er dan in het schema? Bouw de gewijzigde schakeling op.
Er komt gewoon een 3/2 druk hand bediend terugveer ventiel. 
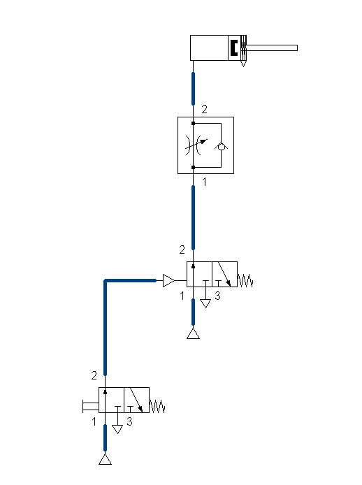
Vragen bij schema 6b
- Wat gebeurt er als drukknop c kortstondig wordt bediend?
Dan wordt de cilinder naar buiten geduwd. - Wat gebeurt er als drukknop c langdurig wordt bediend.
Dan gaat de cilinder heen en weer soort van een motortje. 
Opdracht;
Bouw het schema op
                    
                    
                    
                    
                    
                    
                    
                    
                    
                    
                    
                    
                    
                    
                    
                    
                    
                    
                    
                    
                    
                    
Maak jouw eigen website met JouwWeb